三閥組
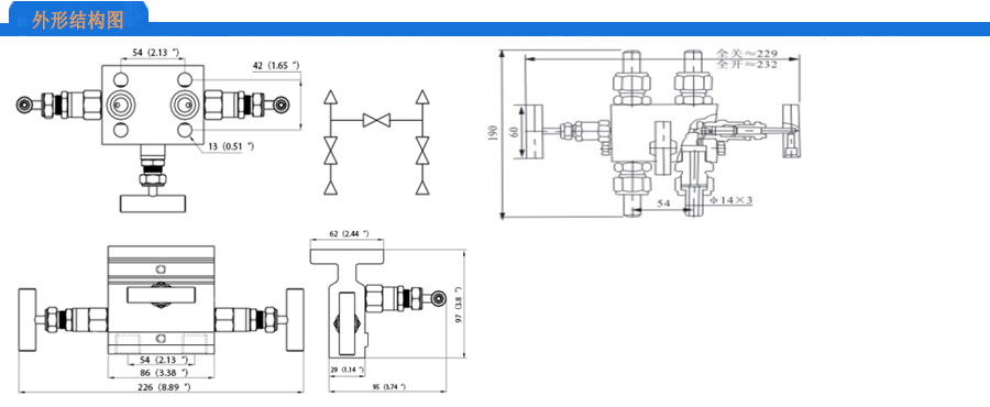
- 三閥組是由三個互相溝通的三個閥組成。根據每個閥在系統中所起的作用可分為:左邊為高壓閥,右邊為低壓閥,中間為平衡閥。三閥組與差變送器配套使用,作用是將正、負壓測量室與
- 咨詢熱線:0517-86788478
-
產品詳情
三閥組是由三個互相溝通的三個閥組成。根據每個閥在系統中所起的作用可分為:左邊為高壓閥,右邊為低壓閥,中間為平衡閥。三閥組與差變送器配套使用,作用是將正、負壓測量室與引壓點導通或斷開;或將正負壓測量室斷開或導通。先打開平衡閥,關閉二個截止閥,即可對變送器進行零點校驗。
技術參數:
工作溫度:
PTFE填料:-38oC 至 180oC (-100oF 至 356oF)
PPL 填料:-38oC 至 280oC (-100oF 至 536oF)
石墨填料:-24oC 至 480oC (-75oF 至 896oF)
連接端口 : 1/2NPT (F)排泄口1/4”NPT
流道孔徑DN: 4.0mm ( 0.157in. )
閥體材質:316不銹鋼,哈氏合金C-276 鈦,及其它特殊材料
螺栓螺紋:UNF7/16-20,M10×1.5,M12×1.75
入口部分與管道規格:φ12,φ14,φ16,φ18

技術參數:
工作溫度:
PTFE填料:-38oC 至 180oC (-100oF 至 356oF)
PPL 填料:-38oC 至 280oC (-100oF 至 536oF)
石墨填料:-24oC 至 480oC (-75oF 至 896oF)
連接端口 : 1/2NPT (F)排泄口1/4”NPT
流道孔徑DN: 4.0mm ( 0.157in. )
閥體材質:316不銹鋼,哈氏合金C-276 鈦,及其它特殊材料
螺栓螺紋:UNF7/16-20,M10×1.5,M12×1.75
入口部分與管道規格:φ12,φ14,φ16,φ18

標簽:






