單晶硅壓力變送器DGPB
- SC-DGPB系列單晶硅壓力變送器采用先進的的單晶硅傳感器,其測壓元件傳感器感受的壓力通過微處理器將物理信號轉變成標準信號(通常為4~20mA)傳送給顯示報警儀、記錄儀、調節器等二
- 咨詢熱線:0517-86788478
-
產品詳情
SC-DGPB系列單晶硅壓力變送器采用先進的的單晶硅傳感器,其測壓元件傳感器感受的壓力通過微處理器將物理信號轉變成標準信號(通常為4~20mA)傳送給顯示報警儀、記錄儀、調節器等二次儀表或者DCS、PLC等系統進行測量、指示和過程控制。廣泛用于石油、化工、紙漿、造紙、城市煤氣、鋼鐵、機械、造船等工業領域。
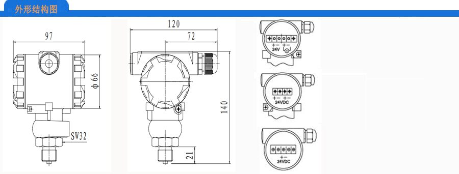
SC-DGPB系列單晶硅壓力變送器是一款直裝式儀表,無需引壓管引壓,可直接在管道及容器上開口安裝。其借鑒國外先進技術,采用的進口零部件的設計原理,利用微處理器技術進行溫度特性和非線性補償,從而提高儀表的測量精度,改善其溫度特性,具有長期穩定好,可靠性高等特點。并可以與HART手操器互通訊,通過其進行參數設置與修改及監控等。

技術參數:
測量介質:液體、氣體、蒸汽
信號輸出:4~20mA、 4~20mA疊加HART
傳感器類型:單晶硅
穩定性:六個月±0.05 URL
整體精度:0.075%F.S、0.1%F.S
儲存溫度:-40~+100℃(不帶液晶表頭) -40~+70℃(帶液晶表頭)
環境溫度:-0~-100%相對濕度
電源影響:小于輸出量程的0.0059%/V
振動影響:在任意軸向上200Hz下振動影響為±0.05%URL/g
安裝位置影響:零點漂移zui大為±0.25kPa,所有零點漂移都可校正;對量程封鎖影響
零點與量程:三按鍵菜單開放,直接按鍵調整;或用HART手持器遠程調整
阻尼時間常數:時間常數可調,以0.1秒遞增,由zui小至16.0秒
防護等級:IP65
壓力變送器選型表:
SC-DGPB系列單晶硅壓力變送器是一款直裝式儀表,無需引壓管引壓,可直接在管道及容器上開口安裝。其借鑒國外先進技術,采用的進口零部件的設計原理,利用微處理器技術進行溫度特性和非線性補償,從而提高儀表的測量精度,改善其溫度特性,具有長期穩定好,可靠性高等特點。并可以與HART手操器互通訊,通過其進行參數設置與修改及監控等。

技術參數:
測量介質:液體、氣體、蒸汽
信號輸出:4~20mA、 4~20mA疊加HART
傳感器類型:單晶硅
穩定性:六個月±0.05 URL
整體精度:0.075%F.S、0.1%F.S
儲存溫度:-40~+100℃(不帶液晶表頭) -40~+70℃(帶液晶表頭)
環境溫度:-0~-100%相對濕度
電源影響:小于輸出量程的0.0059%/V
振動影響:在任意軸向上200Hz下振動影響為±0.05%URL/g
安裝位置影響:零點漂移zui大為±0.25kPa,所有零點漂移都可校正;對量程封鎖影響
零點與量程:三按鍵菜單開放,直接按鍵調整;或用HART手持器遠程調整
阻尼時間常數:時間常數可調,以0.1秒遞增,由zui小至16.0秒
防護等級:IP65
壓力變送器選型表:
| SC-DGP | 單晶硅壓力變送器 |
| B | 標準型 |
| 代 碼 | 輸出信號 |
|
E S |
4~20mA+HART協議數字通訊 4~20mA |
| 代 碼 | 測量量程 |
|
1 2 3 4 5 |
-100~0~100KPa 0~0.6~1.6MPa 0~2.5~6MPa 0~10~25MPa 0~40~60MPa |
| 代 碼 | 接液部分材質(其它材質訂貨時說明) |
| S | 本體(SCS14A)、膜盒(SUS316L)、排氣螺釘(SUS316) |
| 代 碼 | 安裝連接螺紋 |
|
M N G |
M20*1.5 NPT1/2 G1/2 |
| 代 碼 | 顯示方式 |
|
N M3 |
無表頭 LCD顯示表頭 |
| 代 碼 | 電氣接口 |
|
M N G |
M20*1.5 NPT1/2 G1/2 |
| 代 碼 | 安裝支架 |
|
N C |
無支架 L型支架 |
| 代 碼 | 附加選項 |
|
H MF MC J L Z2 |
高溫散熱器 隔膜法蘭 衛生型卡盤 截止閥 冷凝圈 二閥組 |
| 代 碼 | 防爆要求 |
|
d a |
隔爆 本安 |
| 量程:0~□□□MPa(KPa) | |
標簽:






